長短点メモリー記憶タイミングを変えるエレキーの基板化について                 2022年秋
 

長短点メモリー記憶タイミングを変えるエレキー を作ったわけだがこれに興味を持ってくれた方がおられ
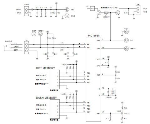
基板化した。

さらに大々的に発表するかわからないが、もし興味がある方はどこかで連絡方法を探して連絡ください。

ただ、相変わらずの半導体不足でCPUの入手が厳しいです。

取説はこちら







電源は5Vが必要。USB-CからでもOK

実際にON AIRで使った場合の誤動作等どうなるかわかりません。
リスクをご理解の上ご使用ください。

ブザーが付いていますのでモールス練習機としては普通に使えると思います。



   戻る