7289/3CX100 2C39WA etc 水冷キャップ の製作   
7289を使った水冷アンプは何度かいじりましたが、
球に水冷キャップを直接ハンダ付けしていました。
でも、熱のストレスは気になりますし、カッコ悪いし
そこでOリングを締め付けるタイプを作りました。
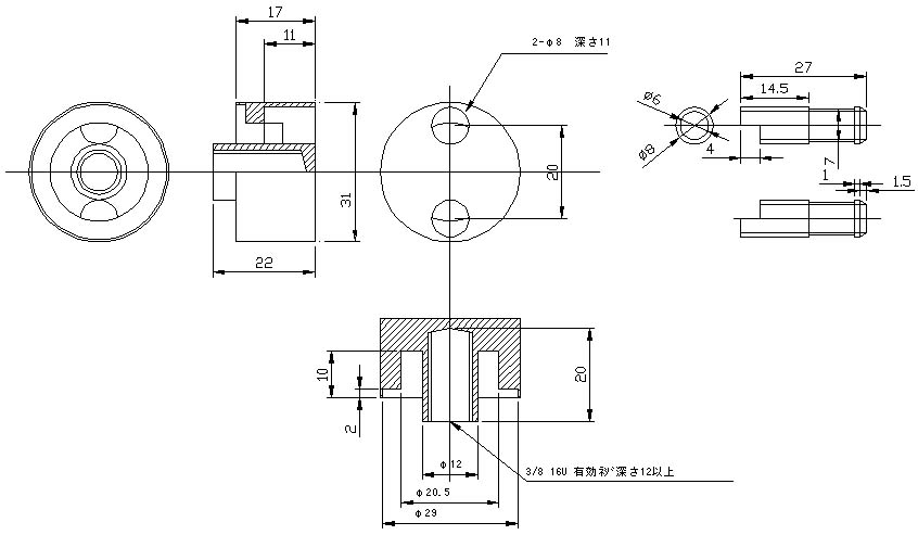
図面はこちら
使ってみるとこんなに調子の良いものはありません。
好評です。

材料:OリングはDIY店にあった外形29φ、内径22φ
厚さ2mmのものです。
パイプとキャップはハンダ付けでも大丈夫とは思います
がロー付けにすべきです。
キャップは最初アルミでたくさん作りましたが、アルミの
ロー付けは難しく、今は黄銅です。
ビニルチューブは内径6φ、外形8φを使い差し込んだ
のち結束バンドで縛ります。
いまのところ水漏れもありません。 球をハードに使う人には絶対お勧めです。

1296MHz 150W出力 (当然1本です) 現用です。